ÏÔ³¾Ä£×é
ËùÊô·ÖÀࣺ¹âÔ´Ä£×é
²úÆ·Âôµã£º
ÏÔ³¾Ä£×é½ÓÄÉÂÌÏÊÃ÷³¾ÊÖÒÕ£¬£¬£¬£¬£¬£¬Ê¹ÓÃÒ»ÊøÂÌɫƽÐйâÊø£¬£¬£¬£¬£¬£¬ÈÃÓû§ÔÚ²»ÉËÑÛµÄÇéÐÎÏ·¢Ã÷¼ÒÖÐËÀ½Ç´¦¸üϸСµÄ»Ò³¾¡£¡£¡£¡£¡£¡£¡£ÕâÊø¹âÔÚ±ÊֱƫÏòÉϱ»Ñ¹ËõÖÁС½Ç¶È£¬£¬£¬£¬£¬£¬¶øÔÚˮƽƫÏòÉÏÔòÕö¿ª³É´ó½Ç¶È£¬£¬£¬£¬£¬£¬´Ó¶øÊµÏÖÁË½ÏÆÕ±éµÄÕÕÉ乿죬£¬£¬£¬£¬£¬Í¬Ê±×èÖ¹Á˹âÖ±ÉäÑÛ¾¦µÄΣÏÕ¡£¡£¡£¡£¡£¡£¡£ÕâÖÖÕÕÉä·½·¨ÄÜÏÔ×ÅÏÔʾ³öÇå½àÆ÷ǰ·½ÊÂÇéÍâòµÄ»Ò³¾ºÍÔÓÖÊ£¬£¬£¬£¬£¬£¬ÌáÉýÁ˶ÔϸС¿ÅÁ££¨ÈçÆ¤Ð¼¡¢³èÎïë·¢¡¢³¾òýºÍ²¿·Ö»¨·Û£©µÄʶ±ðÄÜÁ¦¡£¡£¡£¡£¡£¡£¡£Òò´Ë£¬£¬£¬£¬£¬£¬ÏÔ³¾Ä£×é²»µ«ÄÜÌá¸ßÇå½àЧÂÊ£¬£¬£¬£¬£¬£¬»¹ÄÜÀû±ãÓû§ÊÓ²ìÇå½àЧ¹û¡£¡£¡£¡£¡£¡£¡£
²úÆ·ÌØÕ÷
ÂÌÏÊÃ÷³¾¿ÉÊÓ»¯£¬£¬£¬£¬£¬£¬Öª×ãÓû§Éî¶ÈÇå½àÐèÇó
¸ßÇåÎú½çÏß¹âÐÍ£¬£¬£¬£¬£¬£¬¿´µÃ¸üÇå¡¢¸ü¹ã
LED+Ë«ÇúÃæÍ¸¾µ£¬£¬£¬£¬£¬£¬»Ò³¾Í¶Ó°¸üÔ¶
ÏßÐÔ¹âÌùµØÉè¼Æ£¬£¬£¬£¬£¬£¬Ô½·¢Çå¾²¸ßЧ×ÔÖ÷Ñз¢×¨Àû£¬£¬£¬£¬£¬£¬¿ÉÎÞа¶¨ÖƳ¬µÍ¹¦ºÄ£¬£¬£¬£¬£¬£¬Ìå»ýСÀû±ã×°ÖÃ
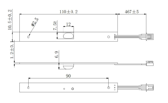
¹æÔò²ÎÊý
| ÊÂÇéµçѹ | DC 12V |
| ÊÂÇéµçÁ÷ | 125 mA |
| Â̹Ⲩ³¤ | 500-570 nm |
| ÕÕ¶È | 400 Lux(¿Éµ÷¹â) |
| ÊÂÇéÎÂ¶È | -10¡æ~60¡æ |



? Ó¦Óó¡¾°
? ɨµØ»ú£¬£¬£¬£¬£¬£¬ÕÕµØÃæ»Ò³¾ ? ³ýòýÒÇ£¬£¬£¬£¬£¬£¬ÕÕ´²Éϱ»×Ó ? µçìÙ¶·£¬£¬£¬£¬£¬£¬ÕÕÒ·þµÄñÞÖå
